![]() |
Interface to Electronics |
| Home | Computing | Notes | Meetings | Subsystems | Search |
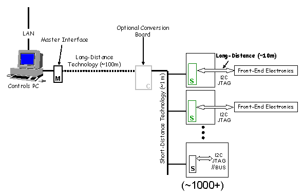
All Electronics boards will be interfaced to the ECS. The generic architecture is the following:

Three options have been chosen for interfacing to electronics:
| This page last edited by CG on December 21, 2005. |